After the Cubs won Game 7 of the World Series, the spikes that Kris Bryant wore were auctioned off. The winner of that auction was Chicago restaurateur (and avid Chicago sports fan) Grant DePorter, who paid a small fee of $35, 000 for the pair of shoes.
While that could be a story in and of itself, the real story lies in what DePorter noticed on the NL MVP's cleats.
Dirt.
The dirt itself is not necessarily what was weird about this set of shoes, it was the images that DePorter and his buddies noticed within the dirt that led them to believe there was some "divine intervention" during Game 7 of the World Series.
(use the arrow at the top to continue)
DePorter to the
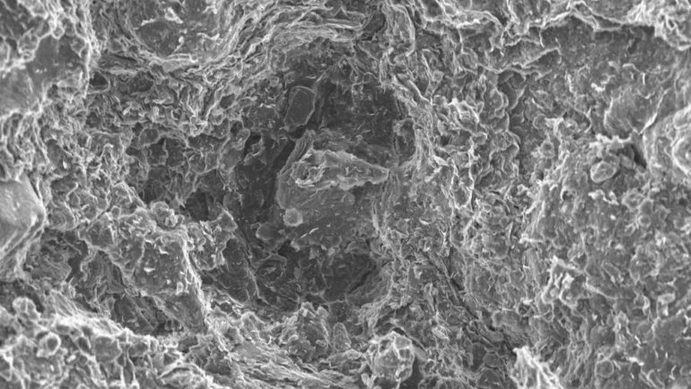
Chicago Tribune he paid McCrone Associates to use an electron microscope to amplify the soil sample on the bottom of Bryant's spikes by a factor of 108.
Like the number of years, get it?
When the dirt on the bottom of Bryant's spikes was amplified at different levels throughout the process, DePorter noticed a few strange images. He claims to see the Cubs 'C', the bear head logo, and even Harry Caray himself.
I'll be dead honest with you all on this one: I don't see a damn thing. I feel like the guy from "Mallrats" that sits and stares at the 3D image all day and still can't see the sailboat.
I'll let you be the judge.

Now I don't know if some pretty strong shit was being smoked when they looked at this but for the life of me, I cannot see Harry Caray. Sad to say, looking at this image has officially consumed most of my day as well.
I can, however, see the Cubs 'C' is the photo below but I don't know if I'd call this divine intervention.

When asked about these strange images and the idea of divine intervention playing a part in the Cubs historic win, DePorter made his beliefs crystal clear.
"In my mind sports is a religion in Chicago. The pieces of memorabilia that I've been acquiring are like the holy relics of that religion. I'm definitely a believer."
I too, am a believer, but I still can't see this damn image.
Don't worry -- I'll keep looking.